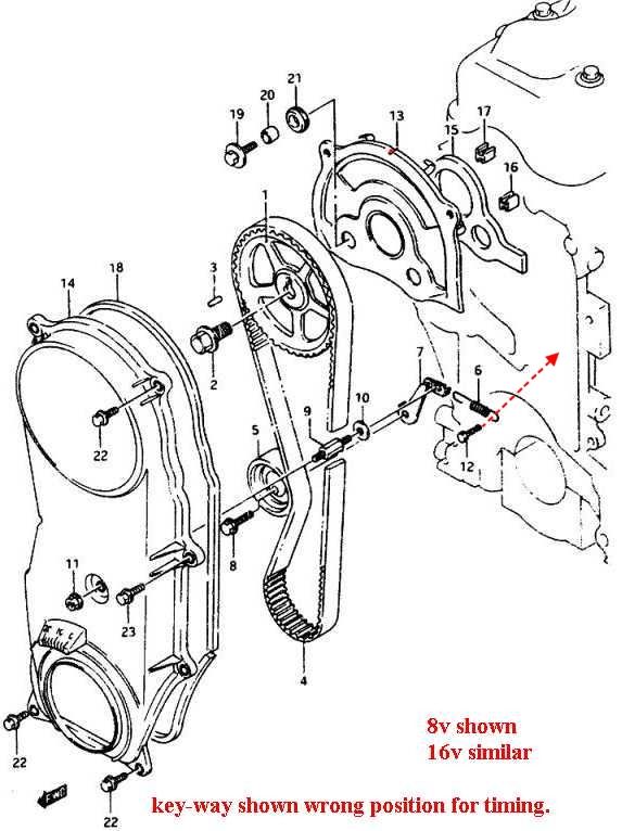
The 8valve engine, parts.
Image 41 of 54
Home
PREV
Thumbnails
NEXT